


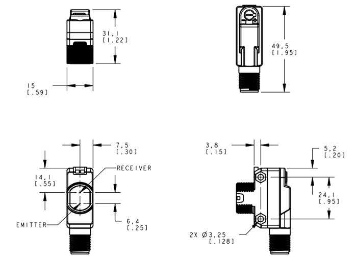
QS18定制型方形光電開關
- ·:通用外殼,18毫米螺紋圓柱安裝或者側面安裝
- ·:可以替代多種款式的傳感器
- ·:符合IP67和NEMA 6標準,適合用于惡劣環境
- ·:檢測范圍可達20米
- ·:360°可見的明亮LED狀態指示燈
光電開關是通過把光強度的變化轉換成電信號的變化來實現控制的。凱基特光電開關產品種類齊全,漫反射式,鏡反射式,對射式,圓柱形,方形,槽型,繼電器輸出等。凱基特標準型光電開關產品種類齊全,漫反射式,鏡反射式,對射式,遠距離型,智能型,繼電器輸出型,抗干擾性強,性能穩定,全面滿足您需求。
采用通用外殼設計,配備18毫米螺紋圓柱,是多種款式傳感器的理想替代品。
·通用外殼,18毫米螺紋圓柱安裝或者側面安裝
·可以替代多種款式的傳感器
·符合IP67和NEMA 6標準,適合用于惡劣環境
·提供對射、偏振和非偏振反射板式、聚焦式、常規漫反式和寬光束 漫反式、小光斑漫射、激光、超聲波、塑料或玻璃光纖、定區域式和可調區域式
·檢測范圍可達20米
·具有360°可見的明亮LED狀態指示燈
·在機械和電子可調節區域選擇
南京凱基特電氣有限公司生產的接近開關可完全替代圖爾克、歐姆龍、倍加福等進口接近開關品牌。
感應光束 | 可見紅色 LED |
電源 | 直流 |
感應模式(一般) | 回歸反射 |
感應模式(詳細) | 偏光 |
外殼樣式 | 矩形 w/M18 安裝 |
主要外殼材料 | ABS |
輸入/輸出 | 離散 |
最大感應距離(mm) | 3500 |
輸出 | PNP |
電源/供電電壓 | 10-30 V dc |
連接方式 | 整體式QD |
快速斷開類型 | M12 (歐) |
操作溫度 | -20℃~70℃ |
操作 | 亮/暗操作 |
輸出響應時間(ms) | 0.6 |
感應光束波長 | 630 |
上電延遲 (ms) | 100 |
重復性(微秒) | 150 |
引腳數 | 4 |
防護等級 | IP67 |
NEMA 等級 | NEMA 6 |
最大操作相對濕度 [%] | 95% @ 50°C |
鏡片材質 | 亞克力 |
調整 | 電位器 |
槍管直徑(mm) | 18 |
指示燈 | LED |
定時(保持/延遲) | 否 |
耐化學性 | 否 |
快速斷開 | 是 |