


KJT-ST系列基本型光電開關671/674
- ●:保護構造IP65
- ●:響應頻率達2kHZ
- ●:標配四線,常開/常閉可切換
- ●:標準采用耐曲折導線
- ●:電源逆接,輸出短路保護
- ●:M3螺絲輕松安裝
直接替代相關型號進口產品,并具有以下優勢:
■能耗低(小于17ma);
■1KHz---3KHz高速響應;
■自動引腳極性保護,接線錯誤也不會損壞器件本身;
■2mil鍍金引腳,長期抗氧化,確保系統穩定
■內置放大器和數字轉換電路,通一輸出CMOS標準電平,方便信號采集,可直接與多種負載匹配;
■動作模式如光時ON和遮光時ON可通過“L”端與“+”端連接進行切換,運用此功能可以方便構成適合小控制系統;
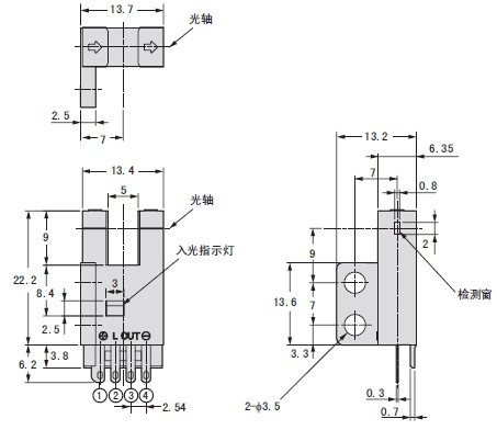
檢測距離 | 5mm(凹槽寬度) |
標準檢測物體 | 不透明體2×0.8mm |
應差距離 | 0.025mm |
光源(發光波長) | GaAs紅外發光二極管(940nm) |
顯示燈×1 | 遮光時燈亮(紅色) |
電源電壓 | DC5V--DC24V±10% 脈動(p-p)10%以下 |
靜態消耗電流 | 20mA以下(NPN型) |
KJT-ST676 控制輸出 | 受光時指示燈亮,NPN集電極無輸出;遮光時指示燈滅,NPN集電極開路輸出DC5V--24V 、 100mA以下, 殘留電壓0.5V以下(負荷電流100mA時)、殘留電壓0.3V以下(負荷電流40mA時) |
KJT-ST676 控制輸出 | 受光時指示燈不滅,NPN集電極無輸出;遮光時指示燈亮,NPN集電極開路輸出DC5V--24V 、 100mA以下, 殘留電壓0.5V以下(負荷電流100mA時)、殘留電壓0.3V以下(負荷電流40mA時) |
自動保護 | 內置極性自動保護電路,引線接錯時傳感器本身不會損壞,但不工作. |
響應頻率 | 1KHz--3kHz |
使用環境照度 | 受光面照度 熒光燈:1000 1x以下 |
環境溫度 | 工作時:-25~+55℃ 保存時:-30~+80℃ |
環境濕度 | 工作時:5~85%RH 保存時:5~95%RH |