


M6超小型激光光電開關(漫反射式)
- 螺紋尺寸:M6X0.5
- 檢測距離:漫反射:Sn=250mm
- 檢測光點大?。?span id="yuw26wuu6wuu" class="hottel" style="font-weight:normal;">1.2mm
- 防護等級:IP 67
- 工作溫度:-5℃—+50℃
凱基特激光傳感器(激光光電開關)是利用激光技術進行測量的傳感器。它由激光器、激光檢測器和測量電路組成。激光傳感器是新型測量儀表,它的優點是能實現無接觸遠距離測量,速度快,精度高,量程大,抗光、電干擾能力強;
螺紋尺寸 | M6X0.5 |
檢測距離 | 漫反射:Sn=250mm |
檢測光點大小 | 1.2mm |
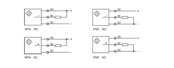
工作電壓 | 10-30VDC |
空載電流 | <9mA |
適合大負載電流 | 150mA |
漏電流 | <0.01mA |
電壓降 | <1V |
開關頻率 | 120Hz |
響應時間 | 0.1mS /0.1mS |
開關滯后 | <15%(sr) |
重復精度 | <1.0% (sr) |
防護等級 | IP 67 |
工作溫度 | -5℃—+50℃ |
溫度漂移 | <10%(sr) |
短路保護 | Yes |
LED燈顯示 | Yes |
外殼材料 | 不銹鋼 塑料 |
連接方式 | 出線式 |