


KJT-TK 441-11Y
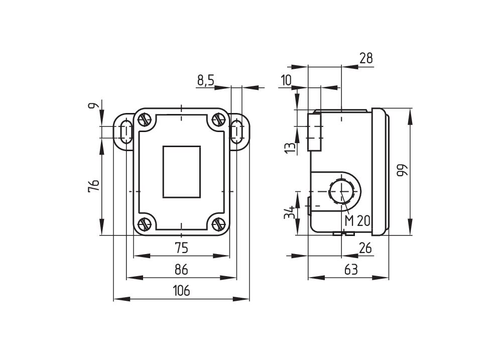
- ● :2 個電纜入口 M 20 x 1.5
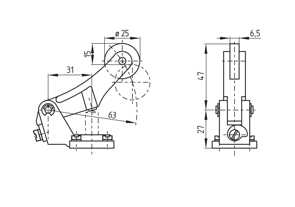
- ● :執行器頭可重新定位 4 x 90°
- ● :金屬外殼
- ● :106 毫米 x 99 毫米 x 63 毫米(基本組件)
- ● :防護等級IP65
凱基特重型限位開關是一種機械控制開關,有輸送帶防跑偏用、吊車過卷保護用、拉繩開關用等形式。發揮其高可靠性,被廣泛應用在鋼鐵設備、大型輸送機械、裝卸機械和水泥設備上。耐惡劣環境。玻封接點中充填了惰性氣體
產品參數 | |
型號 | TK 441-11Y |
作用原理 | 機械的 |
外殼原材料 | 灰口鑄鐵,鍍鋅 |
觸點材料 | 銀 |
總重量 | 1,335g |
常閉數量(NC) | 1 |
常開數量(NO) | 1 |
B 10D常閉觸點 (NC) | 2,000,000 次操作 |
執行元件 | 偏置滾輪杠桿 |
滾筒材質 | 塑料 |
機械壽命 | 10,000,000 次操作 |
動作角度, 從開關軸左側算起 | 45° |
動作角度, 從開關軸右側算起 | 30° |
接觸開路 | 2×6mm |
最小驅動速度 | 1mm/分鐘 |
最大動作速度 | 0.5m/秒 |
注意 | 動作速度:垂直驅動角度切換軸的驅動速度 |
電路連接 | 螺絲連接 M20 x 1.5 |
最小電纜截面 | 1.5mm2 |
最大電纜截面 | 2.5mm2 |
注意 | 電纜部分:包括導體套圈 |
線材截面 | 13 AWG |
產品尺寸 | |
長寬高 | 63mm*106mm*173mm |
腳輪寬度 | 6.5mm |
腳輪直徑 | 25mm |
應用環境條件 | |
防護等級 | IP65 |
環境溫度 | -30 ... +90°C |
額定絕緣電壓 | 400 VAC |
額定沖擊耐受電壓 | 6kV |
電氣數據 | |
熱測試電流 | 16A |
應用類別 | AC-15: 400 V / 4 A |
開關元件 | 常開觸點、常閉觸點 |
開關原理 | 動作緩慢 |
注意事項 | |
應避免從右側啟動,因為這會縮短位置開關的機械壽命 |
注意 開關行程圖 ![]() ![]() ![]() ![]() ![]() VS NO 觸點調節范圍 V? NC觸點可調節范圍 N 行程后 |