




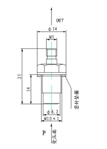
壓電式壓力傳感器K1101
- 殼體材料:高強度不銹鋼
- 壓電材料:石英晶體
- 量程:0-30MPa
- 輸出方式:M5
- 環境溫度:-40°C~+150°C
- 安裝方式:M10X1
- 連接電纜:雙頭M5低噪聲屏蔽電纜2米
壓電式壓力傳感器是利用壓電材料的壓電效應將被測壓力轉換為電信號的傳感器。具有頻率范圍寬、動態響應快、溫度特性好等特點 適合于動態壓力測試。
★管道壓力、爆炸壓力測量
★頻響寬、剛度大
★體積小、重量輕、安裝方便
靜態指標 | |
測量范圍( 峰值 ) | 0-30MPa |
量程 | 0-30MPa |
靈敏度 | 100pC/MPa |
過載能力 | 120% |
非線性 | <1%FS |
遲滯 | <1%FS |
重復性 | <1%FS |
絕緣電阻 | >10^13Ω |
電容 (1000Hz) | ~7pF |
動態指標 | |
自振頻率 | ≥200 kHz |
工作溫度 | -40°C~+150°C |
物理參數 | |
殼體材料 | 高強度不銹鋼 |
重量 | 11 g |
安裝 | M10X1 |
壓電材料 | 石英晶體 |
輸出方式 | M5 |
附件 | |
密封墊圈 | 一只 |
電纜線 | 雙頭M5低噪聲屏蔽電纜2米 |