




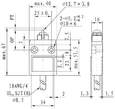
KH-4204防水行程限位開關
- 防水等級:滿足IEC IP67/IP68防護等級的高密封性
- 線纜長度:標準型提供2m的電纜長度
- 接線特點:帶柱塞的開關可實現并聯安裝
- 產品特點:三層密封構造;柱塞部通過丁腈橡膠填料密封和隔膜密封,開關部通過丁腈橡膠帽密封;電纜入口通過包封材料密封
凱基特防水行程開關具有以下特點
■ 鋁合金鑄造外殼,堅固耐用,機械強度高;
■ 觸點元件采用進口,觸點材料為銀合金,品質保證;
■ IP67高等級防護,具防水、防油和防塵結構,可在水下工作;
■ 自帶2M長的線纜,方便用戶接線;
■ 適用于露天設備、盾構設備、涂裝設備等在野外或在防水防油要求等級比較高的場合 。
額定電壓 | 5A 125V,3A 250VAC |
操作速度 | 1mm~1m/s |
操作頻率 | 機械:120 次/分 |
電氣:30 次/分 | |
接點電阻 | 15m Ω以下 |
絕緣電阻 | 100Ω以上(在 500VDC以下) |
耐電壓 | 不連續端子間:1,000VAC,50、60Hz持續一分鐘 |
端子和接地間:1,500VAC,50、60Hz,持續一分鐘 | |
端子和無載電流金屬之間:1,500VAC,50/60Hz持續一分鐘 | |
振動 | 動作耐久:10~55Hz,1.5mm 雙振幅 |
沖擊 | 機械耐久:1000m/s2以上 (約30G以上) |
誤動作耐久:500m/s2 以上(約30G以上) | |
使用周溫 | -10~+70 ℃ |
濕度 | 最大 95%RH |
使用壽命 | 機械:1,000萬次以上 電氣:20萬次以上 |
防護等級 | IEC:IP67 |
重量 | 約360g(電纜線長3m) |
型號 | KH-4204 |
OF最大 | 1200gf(5.69N) |
RF最小 | 450gf(1.47N) |
PT最大 | 1.8mm |
OT最小 | 3mm |
MD最大 | 0.2mm |
OP | 28.5 ± 1mm |