




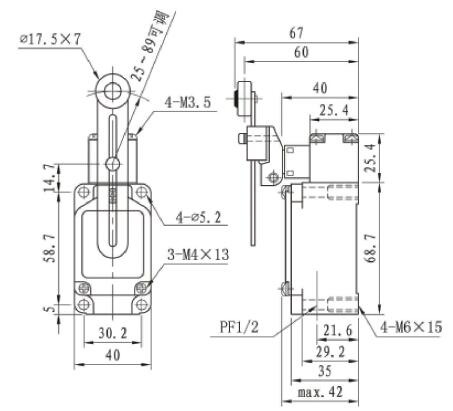
KB-5108行程開關
- 結構特點:雙回路型限動開關,內藏接點座有雙簧片設計,機械壽命長
- 外殼材料:具堅固之一體鑄造鋁合金外殼 高機械強度
- 防護等級:IP66等級防護、具耐油、防水和防壓結構
- 內部結構:內藏接點座有雙簧片設計、因裝有設定位置指示板,故維護容易開關種類多,方便使用 用途廣泛
■ 雙回路型行程開關 ,穩定可靠,體積小經濟實用
■由鋁合金一體鑄造外殼,結構堅固
■ IP66等級防護,可防水、防油和防塵結構;
■ 內藏微動開關有雙簧片設計結構,機械壽命長
■ 適用于霧狀、水氣比較多的應用場景
額定電壓 | 15A 250VAC |
操作速度 | 1mm~2m/s |
操作頻率 | 機械:120 次/分 |
電氣:30 次/分 | |
接點電阻 | 15m Ω以下 |
絕緣電阻 | 100Ω以上(在 500VDC以下) |
耐電壓 | 不連續端子間:1,000VAC,50、60Hz持續一分鐘 |
端子和接地間:2,200VAC,50、60Hz,持續一分鐘 | |
端子和無載電流金屬之間:2,200VAC,50/60Hz持續一分鐘 | |
振動 | 動作耐久:10~55Hz,1.5mm 雙振幅 |
沖擊 | 機械耐久:1000m/s2以上 (約100G以上) |
誤動作耐久:300m/s2 以上(約30G以上) | |
使用周溫 | -10~+80 ℃ |
濕度 | 最大 95%RH |
使用壽命 | 機械:1,500萬次以上 電氣:50萬次以上 |
防護等級 | IEC:IP66 |
重量 | 約258g |
型號 | KB-5101 | KB-5102 KB-5103 | KB-5104 | KB-5107 | KB-5108 | KB-5109 | KB-5106 KB-5166 KB-5168 KB-5169 | KB-5105 |
OF最大 | 2720g | 2720g | 1000g | 1420g | 1360g | 2720g | 150g | 1200g |
RF最小 | 910g | 910g | 227g | 280g | 227g | 910g | - | - |
PT最大 | 1.7mm | 1.7mm | 20° | 20° | 20° | 1.7mm | 28mm | 227g |
OT最小 | 6.4mm | 5.6mm | 70° | 70° | 70° | 4mm | - | 55° |
MD最大 | 1mm | 1mm | 10° | 10° | 10° | 1mm | - | 35° |
OP | 34 ± 0.8mm | 44.8± 0.8mm | - | - | - | 44.5 ± 0.8mm | - | 90 ± 10 ° |