凱基特耐高溫接近開關采用分體式做法,用于高溫惡劣環境下檢測、定位以及計數等,探頭可以經受-25~230℃介質溫度。本產品由于在高溫-25~230℃環境中穩定進行,具有高可靠性、短路、極性反接保護,因此廣泛應用于鋼鐵、冶金、玻璃以及化纖廠輸送管道等相關制造行業。同時可滿足在低溫嚴寒環境下檢測金屬或非金屬的要求。

● 能檢測各種金屬物體 | 直流二線常開 |
● 具有浪涌、過載、短路、逆極性保護功能 | 直流二線常閉 |
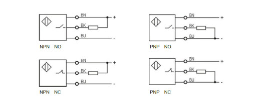
● 外殼材料: 銅鍍鎳 | 直流三線NPN常開 |
● 防護等級: IP67(IEC) | 直流三線NPN常閉 |
● 環境溫度: -25℃~+230℃ | 直流三線PNP常開 |
| 直流三線PNP常閉 |
| 交流兩線常開 |
| 交流兩線常閉 |

產品型號 | KJT-J12GW |
安裝方式 | 埋入式 |
檢測距離 | 2mm |
工作環境溫度 | -25~230℃ |
外形規格 | M12*1.5-55
|
工作電壓 | 10-36VDC / 90-250VAC |
漣波 | <10% |
空載電流 | <10mA |
最大負載電流 | 200mA |
電壓降 | ≤1.5V |
開關頻率 | 300Hz |
遲滯 | <15(Sr) |
過載保護電流 | 220mA |
短路保護 | YES |
重復精度 | <3.0%(Sr) |
溫度漂移 | <10%(Sr) |
響應時間 | 0.5ms |
連接方式 | 2M 硅膠線 |
防護等級 | IP67 |
感應面材質 | PTFE |
外殼材質 | 銅鍍鎳 |
EMC | RFI>3V/M / EFT>1KV / ESD>4KV(contact) |
沖擊/震動 | IEC 60947-5-2,Part7.4.1 / IEC 60947-5-2,Part7.4.2 |