


KJT-MD 441-11Y-M20
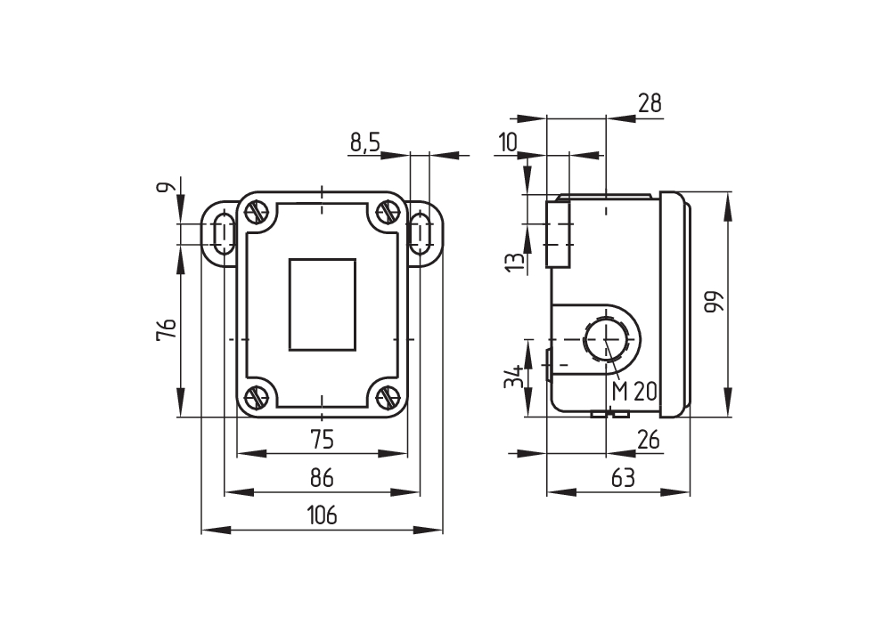
- ● :2 個電纜入口 M 20 x 1.5
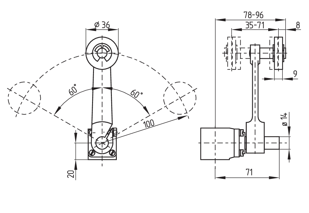
- ● :執行器頭可以 4 x 90° 的步長重新定位
- ● :金屬外殼
- ● :控制桿位置 360° 連續調節
- ● :杠桿可旋轉 180°
- ● :在耐溫版本中,滾輪可以安裝在軸上的兩個不同位置
- ● :106 毫米 x 99 毫米 x 63 毫米(基本組件)
- ● :防護等級IP65
凱基特重型限位開關是一種機械控制開關,有輸送帶防跑偏用、吊車過卷保護用、拉繩開關用等形式。發揮其高可靠性,被廣泛應用在鋼鐵設備、大型輸送機械、裝卸機械和水泥設備上。耐惡劣環境。玻封接點中充填了惰性氣體
產品參數 | |||||
型號 | MD 441-11Y-M20 | TD 441-11Y-M20 | MD 441-11Y-T-M20 | MD 441-11Y-T-2512 | TD 441-11Y-2512 |
作用原理 | 機械的 | 機械的 | 機械的 | 機械的 | 機械的 |
外殼原材料 | 灰口鑄鐵,鍍鋅 | 灰口鑄鐵,鍍鋅 | 灰口鑄鐵,鍍鋅 | 灰口鑄鐵,鍍鋅 | 灰口鑄鐵,鍍鋅 |
觸點材料 | 銀 | 銀 | 銀 | 銀 | 銀 |
總重量 | 1,650g | 1,675g | 1,695g | 1,650g | 1,845g |
常閉數量(NC) | 1 | 1 | 1 | 1 | 1 |
常開數量(NO) | 1 | 1 | 1 | 1 | 1 |
B 10D常閉觸點 (NC) | 2,000,000 次操作 | 2,000,000 次操作 | 2,000,000 次操作 | 2,000,000 次操作 | 2,000,000 次操作 |
執行元件 | 滾輪杠桿 | 滾輪杠桿 | 滾輪杠桿 | 滾輪杠桿 | 滾輪杠桿 |
滾筒材質 | 塑料 | 塑料 | 黃銅 | 黃銅 | 黃銅/塑料(可定制) |
機械壽命 | 5,000,000 次操作 | 10,000,000 次操作 | 5,000,000 次操作 | 5,000,000 次操作 | 5,000,000 次操作 |
動作角度, 從開關軸左側算起 | 30° | 30° | 30° | 30° | 30° |
動作角度, 從開關軸右側算起 | 30° | 30° | 30° | 30° | 30° |
接觸開路 | 2×2.5mm | 2×6mm | 2×2.5mm | 2×2.5mm | 2×2.5mm |
最小驅動速度 | 1mm/分鐘 | 1mm/分鐘 | 1mm/分鐘 | 1mm/分鐘 | 1mm/分鐘 |
最大動作速度 | 3m/秒 | 3m/秒 | 3m/秒 | 3m/秒 | 3m/秒 |
注意 | 動作速度:垂直驅動角度切換軸的驅動速度 | 動作速度:垂直驅動角度切換軸的驅動速度 | 動作速度:垂直驅動角度切換軸的驅動速度 | 動作速度:垂直驅動角度切換軸的驅動速度 | 動作速度:垂直驅動角度切換軸的驅動速度 |
電路連接 | 螺絲連接 M20 x 1.5 | 螺絲連接 M20 x 1.5 | 螺絲連接 M20 x 1.5 | 螺絲連接 M20 x 1.5 | 螺絲連接 M20 x 1.5 |
最小電纜截面 | 1.5mm2 | 1.5mm2 | 1.5mm2 | 1.5mm2 | 1.5mm2 |
最大電纜截面 | 2.5mm2 | 2.5mm2 | 2.5mm2 | 2.5mm2 | 2.5mm2 |
注意 | 電纜部分:包括導體套圈 | 電纜部分:包括導體套圈 | 電纜部分:包括導體套圈 | 電纜部分:包括導體套圈 | 電纜部分:包括導體套圈 |
線材截面 | 13 AWG | 13 AWG | 13 AWG | 13 AWG | 13 AWG |
產品尺寸 | |||||
長寬高 | 63mm*106mm*237mm | 63mm*106mm*237mm | 63mm*106mm*237mm | 63mm*106mm*237mm | 63mm*106mm*192mm |
腳輪寬度 | 9mm | 9mm | 9mm | 9mm | 9mm |
腳輪直徑 | 36mm | 36mm | 36mm | 36mm | 36mm |
應用環境條件 | |||||
防護等級 | IP65 | IP65 | IP65 | IP65 | IP65 |
環境溫度 | -30 ... +90°C | -30 ... +90°C | ‘-40 ... +200°C | ‘-40 ... +200°C | ‘-40 ... +200°C |
額定絕緣電壓 | 250 VAC | 400 VAC | 250 VAC | 250 VAC | 250 VAC |
額定沖擊耐受電壓 | 4kV | 6kV | 6kV | 4kV | 4kV |
電氣數據 | |||||
熱測試電流 | 16A | 16A | 16A | 16A | 16A |
應用類別 | AC-15: 250 V / 4 A | AC-15: 400 V / 4 A | AC-15: 250 V / 4 A | AC-15: 250 V / 4 A | AC-15: 250 V / 4 A |
開關元件 | 常開觸點、常閉觸點 | 常開觸點、常閉觸點 | 常開觸點、常閉觸點 | 常開觸點、常閉觸點 | 常開觸點、常閉觸點 |
開關原理 | 快速動作 | 動作緩慢 | 快速動作 | 快速動作 | 快速動作 |
最大彈跳持續時間 | 5 ms | / | 5 ms | 5 ms | 5 ms |
最大切換時間 | 35 ms | / | 35 ms | 35 ms | 35 ms |
注意 開關行程圖 ![]() ![]() ![]() ![]() ![]() VS NO 觸點調節范圍 V? NC觸點可調節范圍 N 行程后 |