




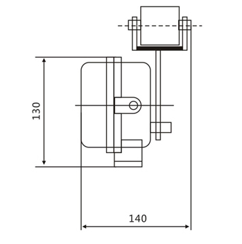
KJT-LK-II滾不銹鋼輪式料流檢測器
- 產品系列:KJT-LK-II滾不銹鋼輪式料流檢測器
- 負載電流:AC380V 5A,DC24V 5A
- 觸點方式:常開1.常閉1;常開2. 常閉2.(訂貨時請注明)
- 復位方式:自動
- 電器壽命:>10萬次
- 防護等級:IP65/IP67
凱基特KJT-LK-II滾輪式料流檢測器用于對膠帶運輸機輸送物料的檢測,可發出有載運行信號。如與灑水裝置連接,可實現對物流的自動灑水功能。本裝置也可適用于雙向運行的膠帶機。
該檢測器采用有負載式檢測,運行中的膠帶加載后膠帶下沉,安裝在膠帶下面的檢測觸輪受壓并通過杠桿傳動使機內行程開關,輸出開關信號,實現檢測功能。
環境溫度 | -30℃~+50℃ |
相對濕度 | 不小于85% |
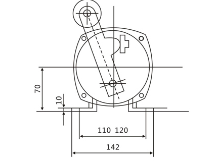
動作角度 | 雙向20° |
極限角度 | 75° |
動作力 | 70-100N |
觸點數量 | 1個常開,1個常閉(可根據需要增加2組常開;2組常閉 |
觸點容量 | AC380V/5A |
復位方式 | 自動 |
可靠性 | >10萬次 |
防護等級 | IP65/IP67 |
重量 | 4Kg |